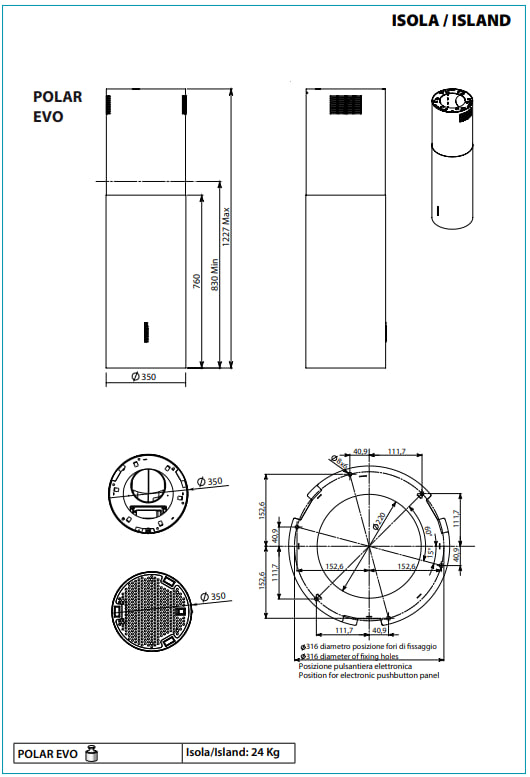
Схема встраивания для кухонной вытяжки Falmec POLAR EVO BLACK 35